產品概述
JRF系列燃煤熱風爐為通用性熱風裝置,與各種物料的干燥設備配套使用。廣泛用于糧食、種子、飼料、果品、脫水蔬菜、香茹、木耳、銀耳、茶葉、煙葉等農產品、食品、醫藥品、化工原料、輕重工業產品的加熱除濕,還可用于各種設施的加熱以及庫房除濕等。
400-822-0082
在線聯系

該爐為通用性熱風裝置,與各種物料的干燥設備配套使用。廣泛用于糧食、種子、飼料、果品、脫水蔬菜、香茹、木耳、銀耳、茶葉、煙葉等農產品、食品、醫藥品、化工原料、輕重工業產品的加熱除濕,還可用于各種設施的加熱以及庫房除濕等。
采取了耐高溫措施,從而使其壽命比列管式熱風爐大大延長,并采用了煙氣縱向沖刷散熱片和負壓式排煙方式,換熱部位不積灰塵,無須清理,熱性能穩定。可用各種煤或柴作燃料,并配有二次進風裝置燃燒完全。該爐的各項技術經濟指標均達到了國內較好水平。
| 名稱\型號 | JRF-15 | JRF-20 | JRF-30 | JRF-40 | JRF-60 | JRF-80 | JRF-100 |
| 內筒直徑 | 760 | 760 | 1170 | 1170 | 1470 | 1670 | 1870 |
| 外筒直徑 | 1280 | 1280 | 1840 | 1840 | 2200 | 2460 | 2700 |
| 總高 | 3500 | 3500 | 4260 | 4760 | 4810 | 5110 | 5310 |
| 設備重量 | 3.15T | 3.65T | 6.8T | 7.5T | 9.8T | 11.7T | 13.5T |
| 熱風出口直徑 | 300 | 300 | 500 | 500 | 500 | 600 | 600 |
| 熱風出口高度 | 1585 | 1585 | 1670 | 1670 | 1670 | 1770 | 1770 |
| 煙氣出口直徑 | 250 | 250 | 250 | 250 | 250 | 300 | 320 |
| 煙氣出口高度 | 2050 | 2050 | 2220 | 2220 | 2220 | 2385 | 2385 |
| 牛角彎頭型號 | XZD/G φ578 | XZD/G φ810 | |||||
| 每小時耗煤量 | 43kg | 57kg | 85kg | 115kg | 170kg | 230kg | 286kg |
| 煤的燃燒值 |
5000kcal/h |
||||||
| 熱效率 | 70-75% | 75-80% | |||||
| 引煙風機型號 | Y5-47-3.15C-1.5KW | Y5-48-4C-2.2KW | Y5-48-4C-3KW | Y5-47-4C-3KW | Y5-47-4C-4KW | Y5-47-5C-7.5KW | |
敬告注意:
環境基準溫度標準按18℃±2℃.煤的熱值以5000kcal/kg計算。
表中熱風溫度是按輸出風量確定的。熱風爐JRF4型的熱風溫度可達200℃以上, JRF5、JRF6型熱風溫度可達300℃以上(特殊制造可達500℃以上),用戶根據需要進行調整。
熱風爐煙窗配置高度: JRF4型3—5米, JRF5、 JRF6型為5—8米。
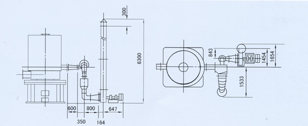
表中外形尺寸對應位置見熱風爐安裝示意圖。
爐膛下部內側壁上的耐火層以爐蓖處為起點,其高度: JRF4-4型為0.5米,可現場安裝。
JRF6型為鏈條爐排式燃燒裝置。
上一篇:DWP系列帶式干燥機
下一篇:RLY系列燃油熱風爐
2025 年 5 月 21-23 日,第 92 屆中國國際醫藥原料藥 / 中間體 / 包裝 / 設備交易會(API China)將在廣州?中國進出口商品交易會…