產品概述
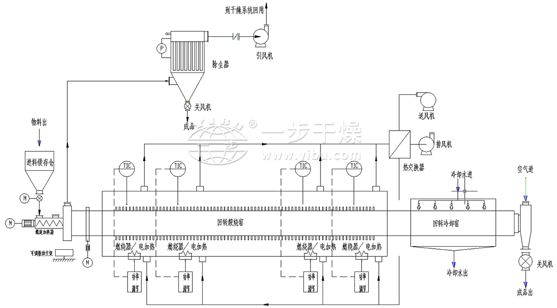
HYD系列回轉煅燒窯(也稱回轉焙燒爐,回轉煅燒爐)由爐筒、加熱系統、保溫系統、進料系統、出料控制系統組成。該設備一般按所采用能源的不同可分為燃氣式煅燒窯和電加熱式煅燒窯。
400-822-0082
在線聯系


回轉煅燒窯一般由爐筒、加熱系統、保溫系統、進料系統、出料控制系統組成。該設備一般按所采用能源的不同可分為燃氣式煅燒窯和電加熱式煅燒窯。當爐體溫度加熱到工藝要求后,將要煅燒的物料由進料系統將送入爐筒內。加熱系統采用電加熱輻射或燃燒器加熱,通過調節電加熱功率調節或燃燒器的調節來保持爐膛各區域的工作溫度。爐筒存在一定傾斜,使爐筒在慢速轉動過程中,物料一邊煅燒,一邊緩慢向前移動,物料在爐筒內的停留時間,可通過調節爐筒的傾角和轉速來控制。最后由爐尾出料系統將物料送至下一道工序。
1、 熱源形式可采用電加熱、燃氣或高溫煙氣等;
2、 煅燒溫度分區域設定,自動控制,
3、 煅燒時間可通過轉速、傾角等手段調節;
4、 根據煅燒工藝曲線和物料特性,選擇煅燒爐多種抄板形式;
5、 具有意外停電盤車保護裝置;
6、 自動化程度高,操作強度低,操作環境好;
7、 保溫密封性能好,熱損失??;
8、 結構牢固,持久耐用,可長期連續運轉;
9、 維護簡單,保養方便;
10、 連續運行,易于與上下游設備對接;
11、 操作溫度達350-1050℃。
|
爐筒尺寸(mm) Machine size |
轉速(rpm) |
主機功率(KW) Power |
焙燒溫度(℃) Temperature |
類型 |
|
Φ400x6000 |
0.5-5 |
2.2-3 |
350~1050 |
電熱式 |
|
Φ600x8000 |
0.5-4 |
2.2-3 |
電熱式 |
|
|
Φ800x10000 |
0.5-4 |
3-4 |
電熱式/燃氣式 |
|
|
Φ1000x12000 |
0.5-3 |
5.5-7.5 |
電熱式/燃氣式 |
|
|
Φ1200x14000 |
0.5-3 |
5.5-7.5 |
電熱式/燃氣式 |
|
|
Φ1400x16000 |
0.5-2 |
5.5-7.5 |
電熱式/燃氣式 |
|
|
Φ1600x18000 |
0.5-2 |
7.5-11 |
電熱式/燃氣式 |
|
|
Φ1800x20000 |
0.5-2 |
7.5-11 |
電熱式/燃氣式 |
|
|
Φ2000x22000 |
0.5-2 |
15-22 |
電熱式/燃氣式 |
|
|
Φ2200x24000 |
0.5-1.5 |
15-22 |
電熱式/燃氣式 |
|
|
Φ2400x26000 |
0.5-1.5 |
18.5-22 |
電熱式/燃氣式 |
|
|
Φ2600x28000 |
0.5-1.5 |
18.5-22 |
電熱式/燃氣式 |
|
|
Φ2800x30000 |
0.5-1.5 |
22-30 |
電熱式/燃氣式 |
|
|
Φ3000x32000 |
0.5-1.5 |
22-30 |
電熱式/燃氣式 |
上一篇:YRDW除濕余熱帶式干燥機
下一篇:LDG單錐螺帶真空干燥機
2025 年 5 月 21-23 日,第 92 屆中國國際醫藥原料藥 / 中間體 / 包裝 / 設備交易會(API China)將在廣州?中國進出口商品交易會…